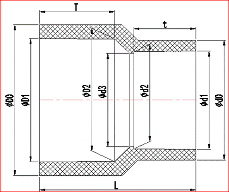
| Size (*") | Dimension(mm) |
| D0 | D1 | D2 | d0 | d1 | d2 | d3 | t | T | L |
| 3/4"*1/2" | 36.90 | 26.87 | 26.57 | 30.50 | 21.54 | 21.23 | 17.00 | 23.22 | 26.40 | 58.60 |
| 1"*1/2" | 44.70 | 33.66 | 33.27 | 30.50 | 21.54 | 21.23 | 17.00 | 23.22 | 29.57 | 65.10 |
| 1"*3/4" | 44.70 | 33.66 | 33.27 | 36.90 | 26.87 | 26.57 | 22.50 | 26.40 | 29.57 | 66.30 |
| 1-1/4"*1/2" | 54.00 | 42.42 | 42.04 | 30.50 | 21.54 | 21.23 | 17.00 | 23.22 | 32.75 | 72.68 |
| 1-1/4"*3/4" | 54.00 | 42.42 | 42.04 | 36.90 | 26.87 | 26.57 | 22.50 | 26.40 | 32.75 | 73.80 |
| 1-1/4"*1" | 54.00 | 42.42 | 42.04 | 44.70 | 33.66 | 33.27 | 29.00 | 29.57 | 32.75 | 73.80 |
| 1-1/2"*3/4" | 60.60 | 48.56 | 48.11 | 36.90 | 26.87 | 26.57 | 22.50 | 26.40 | 35.93 | 80.00 |
| 1-1/2"*1" | 60.60 | 48.56 | 48.11 | 40.70 | 33.66 | 33.27 | 29.00 | 29.57 | 35.93 | 80.00 |
| 1-1/2"*1-1/4" | 60.60 | 48.56 | 48.11 | 54.00 | 42.42 | 42.04 | 38.00 | 32.75 | 35.93 | 78.70 |
| 2"*1" | 73.10 | 60.63 | 60.17 | 44.70 | 33.66 | 33.27 | 29.00 | 29.57 | 39.10 | 88.20 |
| 2"*1-1/4" | 73.10 | 60.63 | 60.17 | 54.00 | 42.42 | 42.04 | 38.00 | 32.75 | 39.10 | 88.20 |
| 2"*1-1/2" | 73.10 | 60.63 | 60.17 | 60.60 | 48.56 | 48.11 | 43.00 | 35.93 | 39.10 | 88.50 |
| 10"*8" | 305.00 | 273.81 | 272.67 | 245.90 | 219.84 | 218.69 | 208.00 | 102.60 | 128.00 | 269.75 |

Hot Tags: Paper Box Jewelry Gift Box, Manufacturers,
Suppliers,
Wholesale, Buy, Factory, Customized, Free Sample, China, Cheap, Newest, Quality,
Advanced